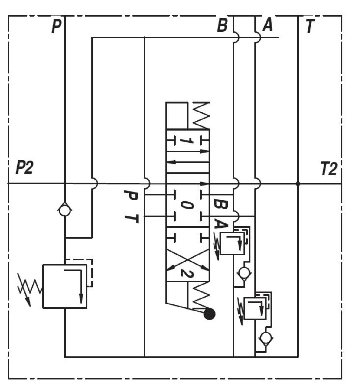
Steuerventile

Steuerventil Monoblock BM 150

Technische Daten

  • Standard doppelwirkend, federzentriert
  • 140 l/min (max. 180 l/min)
  • Druckbegrenzungsventil
  • einstellbar 80 - 230 bar
  • Druckweiterführung mit Adapter!
  • Gewinde BSP
Bitte die Tabelle nach links scrollen, um alle Informationen zusehen und einen Artikel in den Warenkorb zu legen.
Art.-Nr.
Mo­no­block
Sek­tio­nen
Grös­se A
[Zoll]
Grös­se B
[mm]
Grös­se P
[Zoll]
Grös­se P2
[Zoll]
Grös­se T
[Zoll]
Grös­se T2
[Zoll]
Län­ge
[mm]
Be­triebs­druck
[bar]
Druck max.
[bar]
VP
[CHF]
MWSt 8.1% exkl.
27 038 BM 150 1 3/4 0.75 3/4 1 3/4 1 160 250 320 580.10
Lagerbestand: 2
Stück